欢迎微拓威网站,服务热线:13908175530
VTV Liuti Technology (Chengdu)  Co.,LTD
m
微拓威流体科技(成都)有限公司
当前位置:
GU-A系列手动
    发布时间: 2016-08-01 19:25    

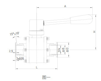
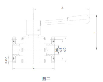
GU-A型系列真空(压力)球阀是适用于真空系统中接通或切断管路中的介质流。该阀为直通式手动球阀,靠球面密封,因而既能用在真空状态下,也能在低压状态下使用,并可任意位置安装。适用的工作介质为带酸、碱性的气体或液体

GU-A系列手动

技术参数



外形图尺寸